

无水氯化钙造粒线
1.2流化床喷雾造粒工艺介绍:
1)技术要求:
40%的氯化钙溶液喷入造粒机流化床内,成品为≥94%的氯化钙颗粒。产品状态:球粒状,直径2~4毫米,产品物料温度: 60℃。
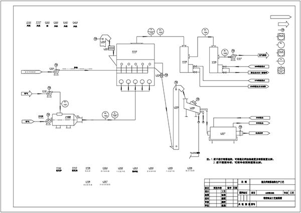
2)、工艺气体流程
系统鼓风机把自然空气鼓入氯化钙系统定制专用天然气加热炉内与高温烟气混合加热后,高温空气鼓入造粒系统进风组合体和均风器,分为无数平均细小高温气流带压鼓入喷雾造粒流化床,与料液泵喷入的氯化钙溶液及流化床内的晶种混合进行传热传质,完成涂敷造粒过程并将氯化钙粒干燥至无水,经过干燥过程的系统尾气携带部分钙粉,进入喷淋塔提高溶液浓度约3%,尾气再进入系统引风机输送至现场的水浴除尘器喷淋碱液,烟气与系统尾气统一排放,尾气达到环保要求后排入大气。
1.3喷雾涂敷造粒工艺机理:
将物料配制溶液采用雾化的形式喷入流化床造粒机内,雾化液滴直接接触剧烈流化的物料层(晶核层),雾滴在脱去水分前粘附在晶核表面,形成局部浸润层,同时较为细小的料层粉末被局部浸润层粘附,局部浸润层水分逐渐被脱除,料层粉末与雾滴由于水分脱除而形成了层状物粘附在晶核表面,晶核颗粒得到增大,此过程反复进行。在流化床造粒区域内,晶核不断接受雾化液滴的粘附,以及晶核之间的撞击再加上水分的逐渐脱除,因此,颗粒的增大是逐渐的、层叠的、均匀的,与水分的蒸发也是同步进行;所以,此种方法造粒提供了均匀致密的结构,提高了颗粒的强度。其造粒机理大部分是涂层累积造粒,少部分是团聚造粒。
1.4造粒系统材料及特点
1.4.1造粒机接触液体的关键部件:喷枪、连接杆、喷头材料均为316L。
喷枪与造粒机本体连接设计采用快开方式,方便去除喷枪更换喷头,喷枪设计防堵塞结构,预防性的设计防止喷头堵塞影响长期的稳定性。
1.4.2除尘器采用双级湿法除尘器,一级为余热回收喷淋塔,提浓后的钙液重新返回造粒主机内部,二级为水浴除尘器,设备结构采用水潜专用结构。
1.4.3燃气热风炉采用最新全自动节能燃烧技术,燃气炉设备特点炉胆部分为310S耐热不锈钢,炉体外部全部采用硅酸铝纤维棉保温;电器特点:此燃烧系统在控制方面为PLC全自动比例调节控制,燃烧头自带防回风结构;并内置佩带美国霍尼韦尔火检探测装置(紫外线类型,非普通热感类型),若燃烧过程突然熄火,火检探测不到火焰时直接切断气源,保证现场的全安全操作环境;气动切断蝶阀为一开一备两台;此燃烧送风工艺系统完全区别于在市的所有燃烧方案,热源模块比一般燃烧高温中继鼓风工艺电力节省40%以上;具体数据如下:一般的负压燃烧是风机负压抽450℃高温风,空气密度会随着温度的升高而降低,体积比例膨胀,常温20℃密度为1.2,高温400℃密度为0.5,可以看出高效节能燃烧系统空气体积流量要远远小于普通负压燃烧系统空气体积流量;避免在风机选择上面机型大功率耐温高材质;对比可以看出高效节能燃烧系统的绝对优势。




